Class of Operation: aR
Rating:
Amps: 160-400A
Volts: 1500Vdc
Interrupting Rating: 120kA@1500Vdc
Standards/Approvals for Reference:
2IEC 60269/GB 13539 2CE 2RoHS compliant
Description: A range of square body high speed
fuse link for semiconductor protection.
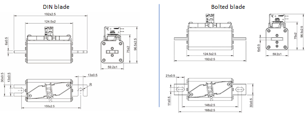
Cross-section: 59x59mm(size 2)
Dimensions(mm)

Catalogue Numbers
Items | Catalogue Numbers | Electrical Characteristics | Bolt size | Installation torque (N.m) | ||||||
Rated Current RMS-Amps | I2t (A2Sec) | Watts Loss | ||||||||
Bolted blade | DIN blade | Pre-arc | Clearing at 1500V | Bolted blade | DIN blade | Bolted blade | DIN blade | |||
1 | HV-160B | HV-160A | 160 | 3395 | 15010 | 79 | M10 | M12 | 24.0±3.0 | 42.0±4.0 |
2 | HV-200B | HV-200A | 200 | 5605 | 23715 | 93 | M10 | M12 | 24.0±3.0 | 42.0±4.0 |
3 | HV-250B | HV-250A | 250 | 10137 | 43710 | 109 | M10 | M12 | 24.0±3.0 | 42.0±4.0 |
4 | HV-315B | HV-315A | 315 | 19475 | 83600 | 124 | M10 | M12 | 24.0±3.0 | 42.0±4.0 |
5 | *HV-350B | *HV-350A | 350 | 25463 | 111600 | 135 | M10 | M12 | 24.0±3.0 | 42.0±4.0 |
6 | HV-400B | HV-400A | 400 | 37430 | 156240 | 144 | M10 | M12 | 24.0±3.0 | 42.0±4.0 |